TechFact: Battery Charger Trouble- shooting (30-00460-06)
Article in English
Os grupos geradores
RG com PIDs maiores que RG2059 / Tier 4, RG1862 / Tier 4i e UGs maiores que
UG2019 / Tier 4, UG1820 / Tier 4i possuem um novo carregador de bateria (pn
30-00460-06). O carregador -06 é semelhante ao -04 e -05, mas não é intercambiável
devido a componentes internos. O -06 pode ser usado como um substituto para o
-05 com algumas modificações no plugue, mas o -05 não deve ser usado como um
substituto para o -06.
PUB
Ferramentas
necessárias:
Multímetro multímetro DC (tensão DC)
Procedimento:
Pode ser necessário
deslizar para trás ou cortar cuidadosamente a manga de cobertura da tubulação
preta para obter acesso ao fio vermelho no encaixe da braçadeira de corrente.
2. Com a unidade
Genset desligada, segure o interruptor do aquecedor de admissão de ar por 30
segundos.
3. Ligue a unidade
Genset e anote o desenho atual no grampo atual.
Current
Range
|
Action
|
2A-27A
|
No action, charger is operating correctly
|
<2A
|
Meça a tensão do terminal da bateria.
Se a tensão for 13,4-13,7 VDC, o
carregador está operando corretamente
Se a tensão estiver fora desta
faixa, substitua o carregador de bateria
|
Após a solução de
problemas, coloque a tubulação de volta sobre os fios.
Se for determinado
que o carregador de bateria está ruim, é importante documentar os resultados de
corrente e voltagem na RMA (autorização de devolução de material) para auxiliar
na análise futura da peça defeituosa.
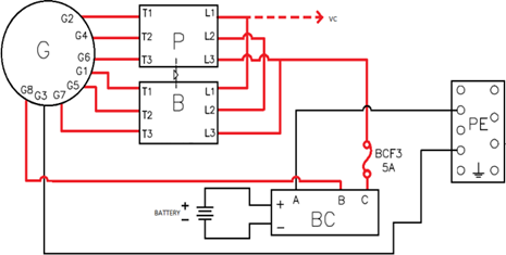
Circuito do carregador de bateria (referência)
Siga os procedimentos
de sinalização de bloqueio local ao solucionar problemas.




Nenhum comentário :
Postar um comentário